CAPITULO 18
APLICATIVO FORD
FIC EEC IV
Escort 1.8 Zetec 16V

O Relê de Plena Carga no Escort sem PATS é ligado ao pino 54 da UC.
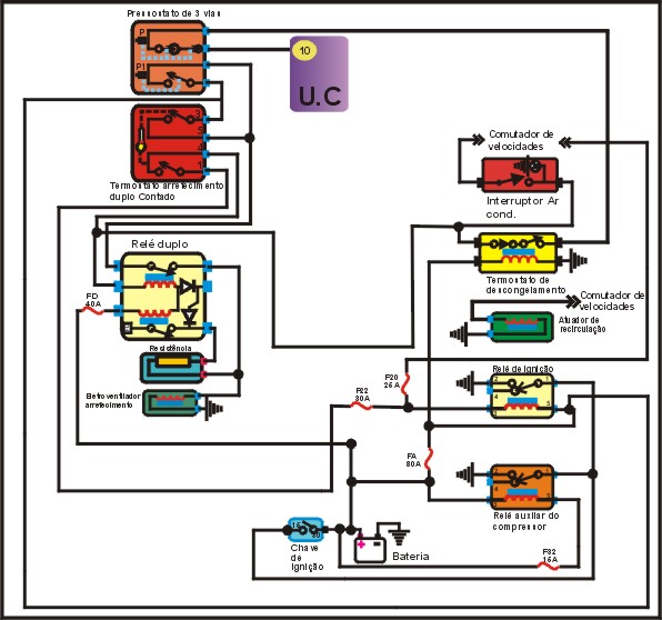
Como funciona o Sistema
1- Como funciona o circuito elétrico do AC desligado?

| Como Funciona |
1 Relê de ignição fornece 12V para o Termostato de arrefecimento, pelo fusível F22 que se fecha quando a temperatura da água do motor chega a um determinado nível. |
2- Com o contato fechado é energisado a bobina do Relê do Eletroventilador pelo contato 1 e aciona o Eletroventilador de arrefecimento na baixa velocidade. |
3 Relê auxiliar do compressor fornece 12V ao Termostato de Arrefecimento pelo terminal 3 do Relê do compressor que se fecha devido a uma maior temperatura do motor. |
4 - Com o contato fechado é energisado a bobina do Relê do Eletroventilador pelo contato 2 e acionado o Eletroventilador de Arrefecimento na alta velocidade. |
2 - Como Funciona o Circuito Elétrico do AC Ligado?

| Como Funciona |
1 O usuário seleciona para ligar ar condicionado no Comutador de velocidade as condições de operação ventilação externa ou interna e velocidade de ventilação em seguida pressione o Interruptor Ar condicionado (on/off) |
2- Interruptor ligado, é energisado o Relê do Eletroventilador acionado o Eletroventilador de Arrefecimento na baixa velocidade. |
3 Estando descongelado o evaporador, 12V proveniente do Relê Auxiliar do compressor, passa pelo Pressostato de 3 Níveis. |
4 Se todos os contatos estiverem fechados são enviados 12V para o Compressor e UC, pino 10 |
3 - Como é feito gerenciamento da UC sob o AC.

| Como Funciona |
1 - Ao receber o sinal de tensão a UC deve adequar a rotação do motor e envia um sinal de massa para a bobina do Relê de Plena Carga pinos 35/54. |
2 - A UC desliga a Polia Eletromagnética do compressor toda vez que for feita uma solicitação de potência como uma ultrapassagem ou outra solicitação. |
3 - Sempre que a pressão ultrapassar certo nível o terceiro contato do Pressostato de 3 Níveis se fecha e mandando 12V para o Relê do Eletroventilador aciona o Eletroventiladores de Arrefecimento na alta velocidade . |
4 - Como testar a resistência do Relê de Ignição?

TESTANDO |
| 1- MULTITESTE DIGITAL no modo Ohmimetro medir resistência nos terminais 1 e 2 Resistência 80W ± 10%. |
5 - Como testar o Relê Principal?

TESTANDO |
| 1- MULTITESTE DIGITAL no modo Ohmimetro medir resistência nos terminais 1 e 2 Resistência 130W ± 10%. |
6 - Como testar o Relê do compressor?

TESTANDO |
| 1- MULTITESTE DIGITAL no modo Ohmimetro medir resistência nos terminais 1 e 2 Resistência 130W ± 10%. |
7 - Como testar o Relê de Plena Carga?

TESTANDO |
| 1- MULTITESTE DIGITAL no modo Ohmimetro medir resistência nos terminais 1 e 2 Resistência 130W ± 10%. |